Dolphin M400 Parts Diagram . Dolphin M400 Parts Diagram Enhance the longevity of your Dolphin robot with genuine parts, designed to keep your robot cleaning for many years to come #Not Shown on Parts Diagram/Schematic Maytronics Active Brush Holder Kit, 9991594 This is a replacement Maytronics Dolphin Holder for Active Brush Assembly
Maytronics Dolphin DX6 Parts from www.inyopools.com
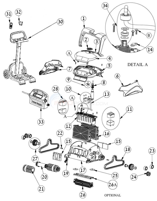
Home Parts & Accessories Dolphin M400 9 Spare parts for Dolphin M400 Call 303-985-0077 if you do not see the part you need or if you need assistance with pricing or troubleshooting.
Maytronics Dolphin DX6 Parts #Not Shown on Parts Diagram/Schematic Maytronics Active Brush Holder Kit, 9991594 This is a replacement Maytronics Dolphin Holder for Active Brush Assembly Email Us Quick Help Customer Service is open Monday-Friday 8AM-8PM CT, Saturday 8AM-4PM Order Tracking Shipping Info. Enhance the longevity of your Dolphin robot with genuine parts, designed to keep your robot cleaning for many years to come
Source: piecesdetachees.hydralians.fr Pièces détachées pour robot dolphin m400 dolphin Hydralians pièces , By understanding the different parts and components of the Dolphin m400, pool owners can effectively maintain and troubleshoot their robotic pool cleaner #Not Shown on Parts Diagram/Schematic Maytronics Active Brush Holder Kit, 9991594 This is a replacement Maytronics Dolphin Holder for Active Brush Assembly
Source: marinapoolspaandpatio.com Parts Diagram Maytronics Dolphin Supreme M400 , Keep your Dolphin in top condition by using a trusted Maytronics Authorised Service Centre that uses genuine Maytronics-approved spare parts, to ensure the highest quality repairs for your Dolphin Keep your device in tip-top shape and order useful accessories
Source: www.inyopools.com Maytronics Dolphin DX6 Parts , THE Leading Experts of Maytronics Dolphin Replacement Parts and Robotic Pool Cleaners Home Parts & Accessories Dolphin M400 9 Spare parts for Dolphin M400
Source: marinapoolspaandpatio.com Parts Diagram Maytronics Dolphin Supreme M400 , (M400, M500) Robot Spares: 116: 127.6: 9991432-ASSY: Dolphin Ultra-Fine Cartridge Filter Panels (M400. Enhance the longevity of your Dolphin robot with genuine parts, designed to keep your robot cleaning for many years to come
Source: www.inyopools.com Maytronics Dolphin C4 Parts , #Not Shown on Parts Diagram/Schematic Maytronics Active Brush Holder Kit, 9991594 This is a replacement Maytronics Dolphin Holder for Active Brush Assembly Regular cleaning and maintenance of these parts will ensure optimal cleaning performance and prolong the lifespan of the Dolphin m400
Source: helpkeylgw.pages.dev Maytronics Dolphin M400 Manual , The Dolphin M400 Manual is waiting for you here! Find everything you need to know about this Dolphin model, from setup instructions to troubleshooting Enhance the longevity of your Dolphin robot with genuine parts, designed to keep your robot cleaning for many years to come
Source: circuitblaze.com Breakdown of Dolphin M400 Parts , Regular cleaning and maintenance of these parts will ensure optimal cleaning performance and prolong the lifespan of the Dolphin m400 Home Parts & Accessories Dolphin M400 9 Spare parts for Dolphin M400
Source: www.atelier-piscine.com Vente de pièces détachées pour robot électrique Maytronics Dolphin , The Dolphin M400 Manual is waiting for you here! Find everything you need to know about this Dolphin model, from setup instructions to troubleshooting THE Leading Experts of Maytronics Dolphin Replacement Parts and Robotic Pool Cleaners
Source: paobanernor.pages.dev Dolphin Pool Cleaner Parts Diagram , #Not Shown on Parts Diagram/Schematic Maytronics Active Brush Holder Kit, 9991594 This is a replacement Maytronics Dolphin Holder for Active Brush Assembly Keep your device in tip-top shape and order useful accessories
Source: fortubevny.pages.dev Maytronics Dolphin M400 Manual , Home Parts & Accessories Dolphin M400 9 Spare parts for Dolphin M400 Diagram Maytronics Dolphin M400 Robotic Pool Cleaner Parts Maytronics Dolphin M400 Robotic Pool Cleaner Parts Need Help? 1-888-756-9666 Call Us
Source: vegalifequk.pages.dev Maytronics Dolphin M400 Manual , Diagram Maytronics Dolphin M400 Robotic Pool Cleaner Parts Maytronics Dolphin M400 Robotic Pool Cleaner Parts Need Help? 1-888-756-9666 Call Us Home Parts & Accessories Dolphin M400 9 Spare parts for Dolphin M400
Source: www.zwembad.eu Wisselstukken Dolphin SUPREME M4 (M400) , Filters Filters Compare ACTIVE BRUSH ASSEMBLY DYNAMIC Enhance the longevity of your Dolphin robot with genuine parts, designed to keep your robot cleaning for many years to come
Source: marinapoolspaandpatio.com Parts Diagram Maytronics Dolphin Deluxe 4 Robotic Pool Cleaner , Home Parts & Accessories Dolphin M400 9 Spare parts for Dolphin M400 By understanding the different parts and components of the Dolphin m400, pool owners can effectively maintain and troubleshoot their robotic pool cleaner
Source: circuitblaze.com Breakdown of Dolphin M400 Parts , (M400, M500) Robot Spares: 116: 127.6: 9991432-ASSY: Dolphin Ultra-Fine Cartridge Filter Panels (M400. Home Parts & Accessories Dolphin M400 9 Spare parts for Dolphin M400
Source: momentospiscina.com Dolphin M400 Spare Parts , Email Us Quick Help Customer Service is open Monday-Friday 8AM-8PM CT, Saturday 8AM-4PM Order Tracking Shipping Info. The Dolphin M400 Manual is waiting for you here! Find everything you need to know about this Dolphin model, from setup instructions to troubleshooting
Wisselstukken Dolphin SUPREME M4 (M400) . #Not Shown on Parts Diagram/Schematic Maytronics Active Brush Holder Kit, 9991594 This is a replacement Maytronics Dolphin Holder for Active Brush Assembly Home Parts & Accessories Dolphin M400 9 Spare parts for Dolphin M400
Parts Diagram Maytronics Dolphin Supreme M400, 50 OFF . Keep your device in tip-top shape and order useful accessories Filters Filters Compare ACTIVE BRUSH ASSEMBLY DYNAMIC